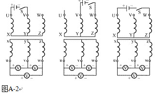
利用直流法测量电压互感器极性,如图A-2所示,若在UV、VW、UW端合上开关瞬间,三只对应电压表分别向负方向摆动,则该互感器是()。

A . Yy0接法;
B . Yy6接法;
C . Yy9接法;
D . Yy12接法。
[单选题]利用直流法测量电压互感器极性,如图A-3所示,若在合上开关瞬间,三只电压表均向正方向摆动,则该互感器是()。A . Yy0接法;B . Yy6接法;C . Yy9接法;D . Yy12接法。
[问答题] 如何利用直流法测量单相电压互感器的极性?
[填空题] 电压互感器送电操作时,应先放上(),再合上(),然后合上电压互感器()。
[判断题]电压互感器按用途分为测量用电压互感器和保护用电压互感器。()A.对B.错
[判断题]电压互感器按用途分为测量用电压互感器和保护用电压互感器。()A.对B.错
[判断题]电压互感器按用途分为测量用电压互感器和保护用电压互感器。()A.对B.错
[判断题]电压互感器按用途分为测量用电压互感器和保护用电压互感器。()A.对B.错
[判断题]电压互感器按用途分为测量用电压互感器和保护用电压互感器。()A.对B.错
[问答题] 背画电压互感器、电流互感器测量极性接线图。
[问答题,论述题] 利用直流法如何定单相电压互感器的极性(见图F-1)?