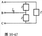
图10-47所示对称三相电路中,若已知相电流AB=1∠0°A,则线电流B等于()A。

A . ∠-150°
B . ∠-90°
C . ∠-120°
D . ∠150°
[单选题]图10-40所示正弦交流电路,已知=1∠0°A,则图中为()A。A . 0.8∠53.1°B . 0.6∠53.1°C . 0.8∠36.9°D . 0.6∠36.9°
[单选题]图10-28所示正弦电路中,相量=5∠0°A,=50∠π/4V,电感电压有效值UL=25V,则阻抗Z为()Ω。A . 7.07+j7.07)B . 7.07+j2.07)C . 7.07+j12.07)D . 7.07-j12.07)
[单选题]图10-41所示正弦交流电路中,已知=100∠0°,R=ωL=1/ωC=10Ω,则C等于()A。A . 0B . 5∠π/2C . 10∠π/2D . 10∠-π/2
[单选题]在图10-32所示正弦交流电路中,s1=10∠0°V,s2=10∠90°V,R=XC=5Ω,则s2供出的有功功率为()W。A . 20B . 0C . 50D . 35
[单选题]图10-48所示对称三相电路,已知线电流I1=2A,三相负载功率P=300W,cosφ=0.5,则该电路的相电压U口等于()V。A . 300B . 70.7C . 100D . 173.2
[单选题]图10-51所示三相电路,已知三相电源对称,三个线电流有效值均相等IA=IB=IC=10A,则中线电流有效值IN等于()A。A . 10B . 0C . 14.14D . 7.32
[单选题]图10-53所示对称三相星形联结负载电路中,已知电源线电压U1=380V,若图中m点处发生断路,则图中电压UAN等于()V。A . 0B . 220C . 329D . 380
[单选题]题17图所示对称三相电路中,若已知相电流,则线电流等于( )A。题17图A.∠-150°B.∠-90°C.∠-120°D.∠150°
[单选题]三相对称电路中相电流超前相应线电流()。A .90°B .180°C .45°D .30°
[单选题]在三相电路中,三相对称负载为星形连接,三相电流均为4A,则中线的电流为()。A . 4AB . 12AC . 8AD . 0A