[试题]

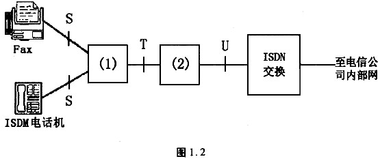
公司内电话、传真机与ISDN的连接情况如图1.2所示。

参考答案与解析:

相关试题

公司内电话、传真机与ISDN的连接情况如图1£­4所示。将图中(1)、(2)处空

[试题]公司内电话、传真机与ISDN的连接情况如图1-4所示。将图中(1)、(2)处空缺的设备名称填写在答题纸相应位置。

  • 查看答案
  • 电话:传真机

    [单选题]电话:传真机A.屏幕:遥控器B.计算机:打印机C.传感器:硬盘D.QQ:邮箱

  • 查看答案
  • 电话:传真机

    [单选题]电话:传真机A.屏幕:遥控器B.计算机:打印机C.传感器:硬盘D.QQ:邮箱

  • 查看答案
  • 电话:传真机

    [单选题]电话:传真机A.屏幕:遥控器B.计算机:打印机C.传感器:硬盘D.QQ:邮箱

  • 查看答案
  • 电话:传真机

    [单选题]电话:传真机A.屏幕:遥控器B.计算机:打印机C.传感器:硬盘D.QQ:邮箱

  • 查看答案
  • 电话:传真机

    [单选题]电话:传真机A.屏幕:遥控器B.计算机:打印机C.传感器:硬盘D.QQ:邮箱

  • 查看答案
  • 电话:传真机

    [单选题]电话:传真机A.屏幕:遥控器B.计算机:打印机C.传感器:硬盘D.QQ:邮箱

  • 查看答案
  • 集团客户将传真机连接至(),根据传真机设置发送和接收传真。

    [填空题] 集团客户将传真机连接至(),根据传真机设置发送和接收传真。

  • 查看答案
  • 以下哪项是传真机所不具有的功能?()

    [单选题]以下哪项是传真机所不具有的功能?()A . 复印B . 电话C . 传真D . 上网

  • 查看答案
  • 传真机是OA系统的()设备。

    [单选题]传真机是OA系统的()设备。A . 信息处理B . 信息传输C . 信息存储D . 信息发生

  • 查看答案
  • 公司内电话、传真机与ISDN的连接情况如图1.2所示。