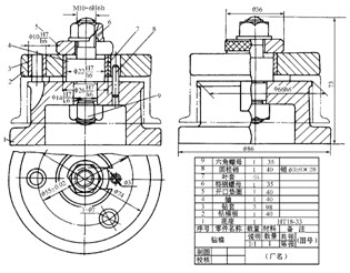
读钻模装配图(),并做下列填空题:



(1)装配图的名称为(),共有()种零件组成;
(2)钻模装配图是由三个视图组成,主视图采用了(),俯视图采用了(),左视图采用了();
(3)2号件与7号件是(),4号零件与7号零件是(),4号零件与2号零件是();
(4)取卸工件应先旋松()号零件,再取下()号零件,然后拿出钻模板,取卸工件;
(5)底座上三个圆弧槽的作用是()。零件8的作用是()。
[问答题] 读识装配图,并做下列填空题:(1)这个部件的名称为(),共有()种零件组成,其中第8种是();(2)这张装配图共有()个图形组成,主视图在全剖视基础上再加局部剖视,是为了表达();(3)图中尺寸()是用来说明蝶阀规格的;(4)件2与件7间为()制()配合,基本尺寸为(),公差等级孔为(),轴为();(5)件1与件7是通过件3,用()方式连接的;(6)转轴上端两个矩形框内画有对角线,这表示矩形方框为()。
[判断题] 零件图的作用是读零件图与装配图关系。A . 正确B . 错误
[单选题]正确识读总装配图的方法是按照总装配图→部件装配图→()图→部件装配图→总装配图的顺序反复进行。A .零件B .草C .辅助D .三视
[单选题]在拆画装配图时,()装配图中的零件表达方案。A . 可以照抄B . 不能机械地照抄C . 可使用一部分D . 根据情况选择
[单选题]装配图的尺寸标注与零件图不同,在装配图中不需标注()。A . 规格尺寸B . 外形尺寸C . 装配尺寸D . 所有零件尺寸
[单选题]装配图的尺寸标注与零件图不同,在装配图中()是不需标注。A . 零件全部尺寸B . 相对位置尺寸C . 安装尺寸D . 设计中经计算的尺寸
[问答题] 装配图的作用有哪些?如何识读装配图?
[单选题]读装配图时,要搞清各零件的名称、数量、材料及其()和作用。A .代号B .结构形状C .规格尺寸D .安装尺寸
[单选题]装配图视图的表达要求与零件图()。A .不同B .相同C .相反D .一致
[单选题]识读装配图分析零件时,需要分离零件,分离零件的方法首先从()开始。A .主视图B .零件序号和明细表(栏)C .剖视图D .标题栏