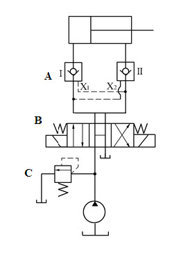
[问答题]

根据图示液压回路分析说明:液压阀A、B、C的名称;该回路能实现哪几种功能?

参考答案与解析:

相关试题

常见的液压基本回路有哪几种?

[问答题] 常见的液压基本回路有哪几种?

  • 查看答案
  • 液压控制回路不包括每口井的()阀,实施控制的液压回路。

    [单选题]液压控制回路不包括每口井的()阀,实施控制的液压回路。A .井上翼阀(WSSV)B .井上主阀(MSSV)C .清蜡阀D .井下安全阀(SCSSV)

  • 查看答案
  • 液压控制回路不包括对每口井的()阀实施控制的液压回路。

    [单选题]液压控制回路不包括对每口井的()阀实施控制的液压回路。A . 地面翼安全阀(WSSV)B . 地面主安全阀(MSSV)C . 清蜡阀D . 井下安全阀(SCSSV)

  • 查看答案
  • 检查维护风机液压系统液压回路前,必须开启泄压阀,保证回路内().

    [单选题]检查维护风机液压系统液压回路前,必须开启泄压阀,保证回路内().A . 无空气;B . 无油;C . 有压力;D . 无压力.

  • 查看答案
  • 简单分析下图所示液压回路,应是压力控制回路中的()回路。

    [单选题]简单分析下图所示液压回路,应是压力控制回路中的()回路。A .调压B .增压C .保压D .平衡

  • 查看答案
  • 简单分析下图所示液压回路,换向阀由中位转换到图示状态时,液压油缸活塞杆()

    [单选题]简单分析下图所示液压回路,换向阀由中位转换到图示状态时,液压油缸活塞杆()A .向左移动B .向右移动C .静止不动D .浮动

  • 查看答案
  • 检查维护风电机液压系统液压回路前,必须开启泄压阀,保证回路内。()

    [单选题]检查维护风电机液压系统液压回路前,必须开启泄压阀,保证回路内。()A .无空气;B .无油;C .有压力;D .无压力。

  • 查看答案
  • 什么是液压回路?

    [问答题] 什么是液压回路?

  • 查看答案
  • 液压回路图是()。

    [单选题]液压回路图是()。A . 用来表示液压的图形B . 用来表示液压装置的图形C . 用液压图形符号表示的液压回路图D . 用来表示液压系统中各液压元件关系的图形

  • 查看答案
  • 液压回路在液压系统中是()。

    [单选题]液压回路在液压系统中是()。A . 主油路;B . 辅助油路;C . 主辅油路均有;D . 旁路油。

  • 查看答案
  • 根据图示液压回路分析说明:液压阀A、B、C的名称;该回路能实现哪几种功能?