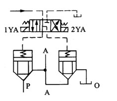
如图所示的三通插装阀组成的方向控制阀为()。

A . 三位二通
B . 三位三通
C . 三位四通
D . 三位五通
[单选题]微机控制三通阀、分配阀、控制阀试验台()须进行性能校验。A .每日开工前B .每月C .每季D .每半年
[填空题] 液压控制阀有压力控制阀、()和方向控制阀三大类。
[判断题] 三通阀安装座、分配阀和控制阀中间体裂纹时焊修。A . 正确B . 错误
[填空题] 空气制动装置中的三通阀或分配阀、控制阀属于气压传动系统的()
[填空题] 液压阀可以分为压力控制阀、方向控制阀、()控制阀。
[填空题] 液压控制阀可分为方向控制阀、()、流量控制阀三大类,
[多选题] 插装阀通过控制油口的启闭和压力的大小,起()控制阀的作用。A . 方向B . 压力C . 流量D . 温度E . 比例
[填空题] 方向控制阀包括()阀、()阀等。
[填空题] 液压控制阀可分为()控制阀、()控制阀、()控制阀三大类。
[填空题] 控制油液()的阀称为方向控制阀。