[问答题]

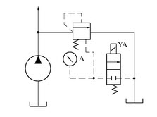
溢流阀按图示连接方法使用,其调定压力为20MPa,压力表A在下列情况下的读数各为多少?

1)二位二通电磁换向阀通电时;

2)溢流阀定压溢流时;

3)系统压力低于溢流阀调定压力时。

参考答案与解析:

相关试题

图示系统,溢流阀调定压力为10Mpa,减压阀的调定压力为3Mpa,活塞运动时负载

[单选题]图示系统,溢流阀调定压力为10Mpa,减压阀的调定压力为3Mpa,活塞运动时负载压力2Mpa,其他损失不计,试求活塞在运动期间A、B处压力?()A . 10Mpa;3MpaB . 10Mpa;2MpaC . 2Mpa;2MpaD . 3Mpa;2Mpa

  • 查看答案
  • 当液压力超过调定压力时,溢流阀()。

    [单选题]当液压力超过调定压力时,溢流阀()。A . 全部油液回油箱B . 无油液回油箱C . 部分油液回油箱D . 不一定

  • 查看答案
  • 减压阀供油压力管路有溢流阀,溢流阀调定压力必须()减压阀压力。

    [填空题] 减压阀供油压力管路有溢流阀,溢流阀调定压力必须()减压阀压力。

  • 查看答案
  • 恒压变量泵出口溢流阀调定压力()系统压力。

    [填空题] 恒压变量泵出口溢流阀调定压力()系统压力。

  • 查看答案
  • 当溢流阀起安全作用时,溢流阀的调定压力()系统的工作压力。

    [单选题]当溢流阀起安全作用时,溢流阀的调定压力()系统的工作压力。A .大于B .小于C .等于

  • 查看答案
  • DA8作业车随车吊操纵阀并联的溢流阀调定压力为()Mpa。

    [单选题]DA8作业车随车吊操纵阀并联的溢流阀调定压力为()Mpa。A .10MpaB .11MpaC .12Mpa

  • 查看答案
  • 如图所示是利用先导式溢流阀进行卸荷的回路。溢流阀调定压力py=4MPa。要求考虑

    [问答题] 如图所示是利用先导式溢流阀进行卸荷的回路。溢流阀调定压力py=4MPa。要求考虑阀芯阻尼孔的压力损失,回答下列问题:1)在溢流阀开启或关闭时,控制油路D与泵出口处B点的油路是否始终是连通的?2)在电磁铁DT断电时,若泵的工作压力pB=4MPa,B点和D点压力哪个压力大?若泵的工作压力pB=2MPa,B点和D点哪个压力大?3)在电磁铁DT通电时,泵的流量是如何流到油箱中去的?

  • 查看答案
  • 风冷溢流阀的设定压力为()。

    [单选题]风冷溢流阀的设定压力为()。A .4MPaB .6MPaC .11MPaD .5MPa

  • 查看答案
  • 压力表在下列哪些情况下仍可使用?()

    [单选题]压力表在下列哪些情况下仍可使用?()A . 指针不能回到零点B . 指针跳动或表面漏气C . 超过允许误差D . 使用时间超过半年

  • 查看答案
  • 压力表在下列哪情况下仍可使用?()

    [单选题]压力表在下列哪情况下仍可使用?()A . 指针不能回到零点B . 指针跳动或表面漏气C . 超过允许误差D . 使用时间超过半年

  • 查看答案
  • 溢流阀按图示连接方法使用,其调定压力为20MPa,压力表A在下列情况下的读数各为