[问答题]

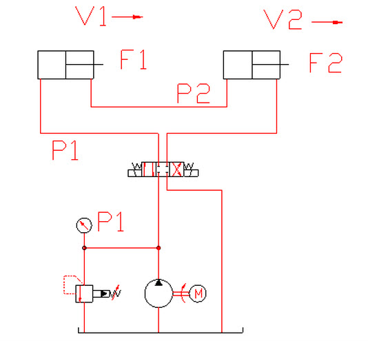
计算题:图示一个液压泵驱动两个结构相同相互串联的液压缸,已知两缸尺寸相同,缸筒内径D=80mm,活塞杆直径d=40mm,负载F1=F2=6000N,液压泵供油流量Q=25L/min,求液压泵的供油压力P1及两个液压缸的活塞运动速度V1,V2。

参考答案与解析:

相关试题

下图所示的液压传动系统图中,若液压泵的型号相同、液压缸的尺寸相同时,液压缸内油液

[单选题]下图所示的液压传动系统图中,若液压泵的型号相同、液压缸的尺寸相同时,液压缸内油液压力的关系是()。A . pa=pb=pcB . paC . pa>pb=pcD . pa>pb>pc

  • 查看答案
  • 液压泵和液压缸属于()设备。

    [单选题]液压泵和液压缸属于()设备。A .出炉B .护炉C .液压

  • 查看答案
  • 已知单活塞杆液压缸两腔有效作用面积A1=2A2,液压泵供油流量是q,如果将液压缸

    [单选题]已知单活塞杆液压缸两腔有效作用面积A1=2A2,液压泵供油流量是q,如果将液压缸差动连接,活塞实现差动快进,那么进入大腔的流量是()。A . 0.5qB . 1.5qC . 1.75qD . 2q

  • 查看答案
  • 在两个相互连通的密闭的液压缸中装着油液(工作介质)。液压缸上部装有活塞,小活塞和

    [问答题,计算题] 在两个相互连通的密闭的液压缸中装着油液(工作介质)。液压缸上部装有活塞,小活塞和大活塞的直径分别为d1=50mm和d2=300mm。如果在小活塞上作用一外力F1=100N,求大活塞所形成的压力F2。

  • 查看答案
  • ()由一个或两个双作用的液压缸组成,液压缸活塞杆和外门架铰接在一起。

    [单选题]()由一个或两个双作用的液压缸组成,液压缸活塞杆和外门架铰接在一起。A . 货叉B . 叉架C . 起升机构D . 门架倾斜机构

  • 查看答案
  • 计算题:已知单杆液压缸缸筒直径D=50mm,活塞杆直径d=35mm,泵供油流量为

    [问答题] 计算题:已知单杆液压缸缸筒直径D=50mm,活塞杆直径d=35mm,泵供油流量为q=10L/min,试求:(1)液压缸差动连接时的运动速度;(2)若缸在差动阶段所能克服的外负载F=1000N,缸内油液压力有多大(不计管内压力损失)?

  • 查看答案
  • 增压器是由两个()液压缸串联一起而形成的。

    [单选题]增压器是由两个()液压缸串联一起而形成的。A .不同缸径B .相同缸径C .不同活塞杆D .活塞直径

  • 查看答案
  • 当液压设备上有两个或两个以上的液压缸,在运动时要求能保持相同的位移或速度,或要求

    [单选题]当液压设备上有两个或两个以上的液压缸,在运动时要求能保持相同的位移或速度,或要求以一定的速比运动时,可以采用()。A . 压力控制回路B . 速度控制回路C . 方向控制回路D . 同步回路

  • 查看答案
  • 对于液压缸和液压泵的叙述正确的是()。

    [单选题]对于液压缸和液压泵的叙述正确的是()。A .液压泵将机械能转换为液压能,液压缸将液压能转换为机械能B .液压泵将机械能转换为液压能,液压缸将液压能转换为液压能C .液压泵将机械能转换为机械能,液压缸将液压能转换为液压能D .液压泵将机械能转换为机械能,液压缸将液压能转换为机械能

  • 查看答案
  • 可使液压缸锁紧,液压泵卸荷的是()型阀。

    [单选题]可使液压缸锁紧,液压泵卸荷的是()型阀。A . HB . MC . OD . P

  • 查看答案
  • 计算题:图示一个液压泵驱动两个结构相同相互串联的液压缸,已知两缸尺寸相同,缸筒内