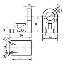
[问答题]

补画如图E-12中所缺的线。

参考答案与解析:

相关试题

请补画下视图中所缺的线。

[问答题] 请补画下视图中所缺的线。

  • 查看答案
  • 补画图E-58中所缺的线条。图E-58:

    [问答题] 补画图E-58中所缺的线条。图E-58:

  • 查看答案
  • 绘图题:补画图E-1中所缺的线条。图E-1

    [问答题] 绘图题:补画图E-1中所缺的线条。图E-1

  • 查看答案
  • 补全俯、左视图中所缺的线,原图如图E-32所示。

    [问答题,计算题] 补全俯、左视图中所缺的线,原图如图E-32所示。

  • 查看答案
  • 绘图题:根据已知视图补画第三视图或视图中所缺的图线

    [问答题] 绘图题:根据已知视图补画第三视图或视图中所缺的图线

  • 查看答案
  • 作图题:根据已知视图补画第三视图或视图中所缺的图线。

    [问答题] 作图题:根据已知视图补画第三视图或视图中所缺的图线。

  • 查看答案
  • 作图题:根据给出的视图,补画第三视图或视图中所缺的图线。

    [问答题] 作图题:根据给出的视图,补画第三视图或视图中所缺的图线。

  • 查看答案
  • 绘图题:请据已知视图补画第三视图或视图中所缺的图线。

    [问答题] 绘图题:请据已知视图补画第三视图或视图中所缺的图线。

  • 查看答案
  • 绘图题:补画视图中的缺线,如图所示。

    [问答题] 绘图题:补画视图中的缺线,如图所示。

  • 查看答案
  • 补画如图E-19所示的第三视图,如图所示。

    [问答题,计算题] 补画如图E-19所示的第三视图,如图所示。

  • 查看答案
  • 补画如图E-12中所缺的线。