[问答题]

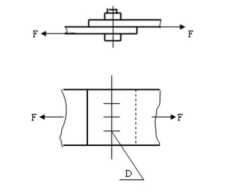
如图所示的结构采用三个M20的45钢高强度螺栓进行连接。根据钢结构设计规范规定,M20的45钢高强度螺栓的预拉力F1=117600N,钢板表面的摩擦系数为f=0.45,在不考虑其它因素的情况下,求板件的最大拉力F是多少?(安全系数n=1.3)

参考答案与解析:

相关试题

如图所示的结构采用三个M20的45钢高强度螺栓进行连接。根据钢结构设计规范规定,