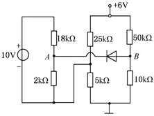
如图所示电路中,A点和B点的电位分别是()V。

A . 2;-1
B . -2;1
C . 2;1
D . 1;2
[单选题]如图所示电路中,A点的电位是()V。A . 5B . 10C . 15D . 25
[单选题]如图所示电路,B、点的电位是()A .2VB .0VC .3VD .-3V
[单选题]如图所示,电路中A点的电位为()。A . 1VB . 2VC . 3VD . 4V
[单选题]图示电路中,A点和B点的电位分别是:()A . 2V,-1VB . -2V,1VC . 2V,1VD . 1V,2V
[单选题]图示电路中,A点和B点的电位分别是()A . 2V,-1VB . -2V,1VC . 2V,1VD . 1V,2V
[问答题] 计算题:试计算如图所示电路中B点的电位VB。
[问答题] 计算题:如图所示,求电路中a,b,c各点的电位。
[单选题]试求如图所示电路中A点的点位()A . 20VB . 10VC . -8VD . 8V
[单选题]电路如图11-5所示,A点与B点的电位差U约等于()V。A . 0.3B . -2.3C . 1.0D . 1.3
[填空题] 电路中两点的电位分别是7v和3v则这两点间的电压是()。