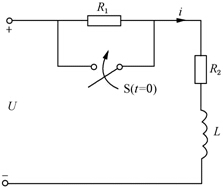
电路如图所示,已知:U=30V,R1=10Ω,R2=20Ω,L=1H,稳定状态下闭合开关S将R1短路,短路后经过()s电流i能达到1.2A。

A . 0.017
B . 0.026
C . 0.051
D . 0.076
[单选题]电路如图7-31(a)所示,已知R1=10Ω,R2=20Ω,uC(0-)=0,电路在t≥0暂态过程中,电容电压的变化曲线是图7-32(b)中的()。A . AB . BC . CD . D
[问答题] 如图所示,已知串联电阻R1=10Ω,R2=5Ω,R3=20Ω,电流I=5A,试求串联电路的总电压UΣ是多少?
[单选题]电路如图所示,已知E=9V,R1=1Ω,R2=8Ω,R3=5Ω,C=12μF,则电容两端的电压Uc为()V。A . 4B . 6.8C . 8D . 9
[问答题] 计算题:如图所示电路总电压为220V,已知各电阻值R1=R2=10Ω,R3=13Ω,R4=R5=8Ω,试求各电阻上的电流和电压。
[问答题] 计算题:轨道车电路如图所示,已知R1=22Ω、R2=30Ω、R3=68Ω,I=0.2A,求:⑴电路的等效电阻R。⑵各电阻上的电压各为多少?⑶电路的端电压U。
[单选题]稳压电路如图所示,已知E=20V,R1=1200Ω,R2=1250Ω,稳压管Dz的稳定电压Uz=8V,通过Uz的电流是()mA。A . -6.4B . 3.6C . 10D . 16.4
[单选题]如图所示电路中,已知Us=10V,R1=3kΩ,R2=20kΩ,R3=1kΩ,L=1H,电路原已稳定,在开关S断开的瞬间,电阻R2上的电压u(0+)最接近于()V。A . -50B . 0C . 10D . 50
[单选题]整流滤波电路如图所示,已知U1=30V,U0=12V,R=2kΩ,RL=4kΩ,稳压管的稳定电流=5mA与=18mA。通过稳压管的电流和通过二极管的平均电流分别是()A . 5mA,2.5mAB . 8mA,8mAC . 6mA,2.5mAD . 6mA,4.5mA
[问答题] 计算题:如图所示,已知R1=100Ω,R2=200Ω,R3=300Ω,试判断此放大电路的性质,并求当输入电压Vi=8V时,输出电压V0等于多少?
[单选题]如图所示电路,已知R1=3kΩ,R2=2kΩ,R3=1kΩ,I=10mA,I1=6mA,则a、b两点电势高低和通过R2中电流正确的是()A . a比b高,7mAB . a比b高,2mAC . a比b低,7mAD . a比b低,2mA