[问答题]

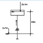
一台输送请水的离心泵,现用来输送容重为水的1.3倍的液体,该液体的其他物理性质视为与水相同,另外水泵装置也相同,问:(1)该水泵工作时,其流量与扬程关系曲线有无改变?在相同的工作状况下,压力表读数如何变化?输送清水时,水泵的压力扬程为0.5Mpa。(2)如果水泵将液体输往高地密闭水箱时,密闭水箱内的压力为2atm(如下图),试求此时的静扬程HST?

 

参考答案与解析:

相关试题

离心泵的理论扬程与液体的容重无关。因而同一台泵用于输送粘度相近的两种液体,可达到

[填空题] 离心泵的理论扬程与液体的容重无关。因而同一台泵用于输送粘度相近的两种液体,可达到输送目的,但所消耗的功率是不同的,容重大的液体所消耗的()也较大。

  • 查看答案
  • 离心泵按输送液体性质分为()等。

    [填空题] 离心泵按输送液体性质分为()等。

  • 查看答案
  • 同一台离心泵用于输送不同液体时其工作性能会有哪些变化?

    [问答题,论述题] 同一台离心泵用于输送不同液体时其工作性能会有哪些变化?

  • 查看答案
  • 离心泵是靠()来输送液体的。

    [单选题]离心泵是靠()来输送液体的。A .离心力B .重力C .地球引力D .磁力

  • 查看答案
  • 对于一台离心水泵来说,现在改为输送比水粘度大的液体,哪么泵的扬程将()。

    [单选题]对于一台离心水泵来说,现在改为输送比水粘度大的液体,哪么泵的扬程将()。A . 减小B . 增大C . 不变

  • 查看答案
  • 离心泵输送的液体粘度增大,泵的效率()。

    [单选题]离心泵输送的液体粘度增大,泵的效率()。A .升高B .降低C .不变D .变化不定

  • 查看答案
  • 离心泵输送液体密度变化时,泵的轴功率与液体的()。

    [单选题]离心泵输送液体密度变化时,泵的轴功率与液体的()。A . 密度成反比B . 密度成正比C . 密度的平方成正比D . 密度无关

  • 查看答案
  • 当离心泵输送液体密度增加时,离心泵的()也增大。

    [单选题]当离心泵输送液体密度增加时,离心泵的()也增大。A . 流量B . 扬程C . 轴功率D . 效率

  • 查看答案
  • 离心泵输送粘度大的液体时,效率()。

    [单选题]离心泵输送粘度大的液体时,效率()。A .降低B .增加C .基本不变D .无法确定

  • 查看答案
  • 离心泵输送液体主要是()力作用。

    [填空题] 离心泵输送液体主要是()力作用。

  • 查看答案
  • 一台输送请水的离心泵,现用来输送容重为水的1.3倍的液体,该液体的其他物理性质视