[问答题]

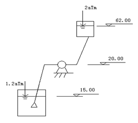
求出图中水泵的吸水地形高度、压水地形高度及装置静扬程。

 

参考答案与解析:

相关试题

水泵吸水地形高度(mH2O),是指自水泵吸水井(池)水面的测管水面至泵轴之间的垂

[判断题] 水泵吸水地形高度(mH2O),是指自水泵吸水井(池)水面的测管水面至泵轴之间的垂直距离。A . 正确B . 错误

  • 查看答案
  • 在EGPWS地形图中,采取的基准高度是:()

    [单选题]在EGPWS地形图中,采取的基准高度是:()A .起落架放下后飞机所在高度以下250英尺B .起落架收上后飞机所在高度以下500英尺C .飞机的当前高度或如果下降率大于1000英尺每分钟,30秒内的预计高度

  • 查看答案
  • 水泵高于吸水池水面的高度不能大于水泵的吸水高度

    [判断题] 水泵高于吸水池水面的高度不能大于水泵的吸水高度A . 正确B . 错误

  • 查看答案
  • 在地形剖面线图中,横坐标表示地形的高度,纵坐标表示平面上的距离。

    [判断题] 在地形剖面线图中,横坐标表示地形的高度,纵坐标表示平面上的距离。A . 正确B . 错误

  • 查看答案
  • 在大面积的自然山水地形的土方计算中,常常采用沿等高线截取断面,结合相邻两面的高度

    [单选题]在大面积的自然山水地形的土方计算中,常常采用沿等高线截取断面,结合相邻两面的高度进行土方量计算,该方法称为()A . 估算法B . 断面法C . 方格网法D . 等高面法

  • 查看答案
  • 适合于大面积自然山水地形土方计算的方法是()

    [单选题]适合于大面积自然山水地形土方计算的方法是()A.体积公式法B.断面法C.等高面法D.方格网法

  • 查看答案
  • 水泵的扬程是指()高度。

    [单选题]水泵的扬程是指()高度。A . 泵出口液柱的高度;B . 泵总的扬水;C . 泵的安装高度。

  • 查看答案
  • 水泵的扬程就是排水高度。

    [判断题] 水泵的扬程就是排水高度。A . 正确B . 错误

  • 查看答案
  • 泵的安装高度不得()吸水扬程。

    [填空题] 泵的安装高度不得()吸水扬程。

  • 查看答案
  • 大面积的自然山水地形的土方计算最适合用()方法。

    [单选题]大面积的自然山水地形的土方计算最适合用()方法。A .垂直断面法;B .方格网法;C .估算法;D .等高面法。

  • 查看答案
  • 求出图中水泵的吸水地形高度、压水地形高度及装置静扬程。