22,A=1520mm2,则此梁所能承受的弯矩Mu为()kN·m。 
A . 211.68
B . 237.12
C . 237.80
D . 247.52
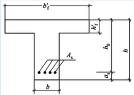
[单选题,案例分析题] 钢筋混凝土T形截面构件如下图所示,b=250mm,h=500mm,bf′=400mm,hf′=150mm,混凝土强度等级为C30,纵筋采用HRB335钢筋,箍筋采用HPB300钢筋。受扭纵筋与箍筋的配筋强度比值为ζ=1.2,Acor=90000mm2。假设构件所受的扭矩与剪力的比值为200,箍筋间距s=150mm,则翼缘部分按构造要求的最小箍筋面积和最小纵筋面积与()项数据最为接近。A .62mm2;45mm2B . 43mm2;58mm2C . 32mm2;58mm2D . 29
[单选题,案例分析题] 钢筋混凝土T形截面构件如下图所示,b=250mm,h=500mm,bf′=400mm,hf′=150mm,混凝土强度等级为C30,纵筋采用HRB335钢筋,箍筋采用HPB300钢筋。受扭纵筋与箍筋的配筋强度比值为ζ=1.2,Acor=90000mm2。若构件承受的扭矩设计值T=15kN·m,剪力设计值V=80kN,弯矩设计值M=15kN·m,则截面上翼缘分配的扭矩Tf最接近于()kN·m。A .1.72B . 1.60C . 1.43D . 1.2
[单选题]一矩形截面梁,b×h=200mm×500mm,混凝土强度等级C20(fc=9.6MPa),受拉区配有4φ20(As=1256mm2)的HRB335级钢筋(fy=300MPa)。该梁沿正截面的破坏为下列中哪种破坏?()A . 少筋破坏B . 超筋破坏C . 适筋破坏D . 界限破坏
[单选题]一矩形截面梁,b×h=200mm×500mm,混凝土强度等级C20(fc=9.6N/mm2),受拉区配有4φ20(As=l256mm2)的HRB335级钢筋(fy=300N/mm2),该梁沿正截面的破坏为()。A . 少筋破坏B . 超筋破坏C . 适筋破坏D . 界限破坏
[单选题]一矩形截面梁,b×h=200mm×500mm,混凝土强度等级C20(fxc=9.6MPa),受拉区配有4φ20(As=1256mm2)的HRB335级钢筋(fy=300MPa)。该梁沿正截面的破坏为下列中哪种破坏?()A . 少筋破坏B . 超筋破坏C . 适筋破坏D . 界限破坏
[单选题]一矩形截面梁,b×h=200mm×500mm,混凝土强度等级C20(fc=9.6MPa),受拉区配有4φ20(As=1256mm2)的HRB335级钢筋(fy=300MPa)。该梁沿正截面的破坏为下列中哪种破坏()?A . 少筋破坏B . 超筋破坏C . 适筋破坏D . 界限破坏
[单选题,案例分析题] 某钢筋混凝土梁截面尺寸200mm×500mm,如下图所示。梁端支撑压力设计值N1=60kN,局部受压面积内上部轴向力设计值N0=160kN。墙的截面尺寸为1200mm×240mm(梁端位于墙长中部),采用MU10烧结普通砖,M7.5混合砂浆砌筑。[2007年真题]提示:不考虑强度调整系数γa的影响。假定A0/A1=6,则梁端支承处砌体的局部受压承载力ηγfA1,应与下列何项数值最为接近?()A .1.57AlB . 1.79AlC . 2.11AlD . 2.55Al
[问答题] 计算题:已知梁的截面尺寸为b×h=200mm×500mm,安全级别为II级(安全系数1.2),混凝土强度等级为C25(抗压强度设计值11.9N/mm2),采用HRB335级钢筋(抗拉强度设计值300N/mm2),截面弯矩设计值M=125kN•m。环境类别为一类(c=30mm)。按SL-2008规范求受拉钢筋截面面积。
[单选题,案例分析题] 某承受均布荷载的简支梁跨度l0=5m,截面尺寸b×h=200mm×500mm,混凝土强度等级为C20,箍筋为HPB235级,纵筋为HRB335级钢筋,单排纵向受力钢筋,梁净跨为5m,as=40mm。假设梁的支座截面承受剪力设计值V=150kN,则该截面所需的箍筋总面积与间距的比值Asv/s最接近于()。A .0.51B . 0.54C . 0.65D . 0.74
[单选题,案例分析题] 某钢筋混凝土梁截面尺寸200mm×500mm,如下图所示。梁端支撑压力设计值N1=60kN,局部受压面积内上部轴向力设计值N0=160kN。墙的截面尺寸为1200mm×240mm(梁端位于墙长中部),采用MU10烧结普通砖,M7.5混合砂浆砌筑。[2007年真题]提示:不考虑强度调整系数γa的影响。试问,墙的局部受压面积A1(mm2)与下列何项数值最为接近?()A .24000B . 32000C . 34400D . 38000