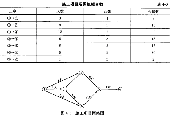
某机械施工项目的网络图和所需机械台数如表4-3和图4-1所示。请回答以下相关问题,以使投入的机械台数最少又能最均匀施工。

A .15天
B . 10天
C . 16天
D . 19天
[判断题,案例分析题] 绘制、看懂机械图是机械员的基本常识。请回答以下相关问题:A . 正确B . 错误
[试题]某网络结构如图所示,请回答以下相关问题。(1) 使用 192.168.1.192/26 划分 3 个子网,其中第一个子网能够容纳 25 台主机,另外两个子网分别能够容纳 10 台主机 , 请写出子网掩码 , 各子网网络地址及可用的 IP 地址段 )( 注 : 请按子网序号顺序分配网络地址 )(2) 如果该网络使用上述地址 , 边界路由器上应该具有什么功能 ? 如果为了保证外网能够访问到该网络内的服务器,那么应在边界路由器对网络中服务器的地址进行什么样的处理 ?(3) 采用一种设备能够对该网络提供如
[多选题,案例分析题] 绘制、看懂机械图是机械员的基本常识。请回答以下相关问题:基轴制中正确的说法有()。A .基本偏差为一定的轴的公差带,与不同基本偏差的孔的公差带形成各种配合的一种制度B . 基轴制配合中的轴叫做基准轴C . 基准轴的上偏差为零,下偏差为负值D . 基轴制的上偏差为正值,下偏差为零E . 基轴制和基孔制一样,上偏差、下偏差均可为正值、零、负值
[多选题]绘制、看懂机械图是机械员的基本常识。请回答以下相关问题:基轴制中正确的说法有( )。A.基本偏差为一定的轴的公差带,与不同基本偏差的孔的公差带形成各种
[B单选题]绘制、看懂机械图是机械员的基本常识。请回答以下相关问题基轴制中正确的说法有()。A.基本偏差为一定的轴的公差带,与不同基本偏差的孔的公差带形成各种配
[多选题,案例分析题] 绘制、看懂机械图是机械员的基本常识。请回答以下相关问题:表面粗糙度的基本评定参数是()。A .表面轮廓算术平均偏差B . 最大轮廓峰高度C . 轮廓的最大高度D . 图形参数E . 最大轮廓谷深度
[多选题,案例分析题] 绘制、看懂机械图是机械员的基本常识。请回答以下相关问题:关于剖视图的正确说法有()。A .假想用一个平面在适当位置将零件切开,把剖切平面前面的部分移去,将留下部分向平行剖切平面的投影面上投射,所得的图形叫剖视图B . 用金属材料制造的零件,其剖面符号为倾斜成45。的细实线C . 同一零件各剖视图上的剖面线方向一致、间距相等D . 在零件图中,重合断面图一般不需要标注,只要在断面图的轮廓线内画出材料图例。E . 画单一半剖视图时,虽然内部结构在剖视部分已表达,但视图中表达内部结构的虚
[多选题]绘制、看懂机械图是机械员的基本常识。请回答以下相关问题:关于剖视图的正确说法有( )。A.假想用一个平面在适当位置将零件切开,把剖切平面前面的部分移去
[多选题]绘制、看懂机械图是机械员的基本常识。请回答以下相关问题:关于上、下偏差描述正确的有( )。A.可以同时为零B.都可以小于零C.都可以大于零D.可以一正
[B单选题]10绘制、看懂机械图是机械员的基本常识。请回答以下相关问题基轴制中正确的说法有()。A.基本偏差为一定的轴的公差带,与不同基本偏差的孔的公差带形成各