[问答题]

计算题:有一零件如图15-9,求两孔中心的直线距离是多少?

参考答案与解析:

相关试题

计算题:如图示两孔中心直接距离C=80mm,横向距离a=50mm,求纵向距离b=

[问答题] 计算题:如图示两孔中心直接距离C=80mm,横向距离a=50mm,求纵向距离b=?

  • 查看答案
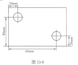
  • 长方形零件尺寸如图(单位:mm),求两孔中心的距离(精确到0.1mm)

    [主观题]长方形零件尺寸如图(单位:mm),求两孔中心的距离(精确到0.1mm)

  • 查看答案
  • 计算题:已知电流为15A,电阻为30Ω,试求电路中电压是多少伏?

    [问答题] 计算题:已知电流为15A,电阻为30Ω,试求电路中电压是多少伏?

  • 查看答案
  • 计算题:直角形零件(如图所示),计算展开尺寸。

    [问答题] 计算题:直角形零件(如图所示),计算展开尺寸。

  • 查看答案
  • 计算题:已知电压220伏,电阻200欧姆,求电流是多少安培?

    [问答题] 计算题:已知电压220伏,电阻200欧姆,求电流是多少安培?

  • 查看答案
  • 计算题:如图所示,求合力R?

    [问答题] 计算题:如图所示,求合力R?

  • 查看答案
  • 计算题:如图所示,设L1=50,d=6,δ=1,求卷边零件的展开尺寸

    [问答题] 计算题:如图所示,设L1=50,d=6,δ=1,求卷边零件的展开尺寸。

  • 查看答案
  • 计算题:已知烧结矿的化学成分如下:求烧结矿碱度是多少?

    [问答题] 计算题:已知烧结矿的化学成分如下:求烧结矿碱度是多少?

  • 查看答案
  • 计算题:如图所示,求A、B两压力表的示值?

    [问答题] 计算题:如图所示,求A、B两压力表的示值?

  • 查看答案
  • 有一零件孔径为mm,另一零件外径为mm,上述两零件相配合,计算其配合间隙及配合公

    [问答题] 有一零件孔径为mm,另一零件外径为mm,上述两零件相配合,计算其配合间隙及配合公差各是多少?并画出公差带图。

  • 查看答案
  • 计算题:有一零件如图15-9,求两孔中心的直线距离是多少?