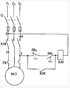
如图所示,控制电路的错误接线不能使电动机M起动。要使M起动并能连续运转,且具备过载保护、失压保护、短路保护的功能,正确的接线是下列哪种()?
A . 
B . 
C . 
D . 
[单选题]如图a)所示控制电路的错误接线不能使电动机M起动。要使M起动并能连续运转,且具备过载保护、失压保护、短路保护的功能,正确的接线是图b)中哪个图所示?()A . AB . BC . CD . D
[填空题] 三相异步电动机点动控制电路中,按下起动按钮电动机起动运转,松开起动按钮,电动机()。
[单选题]继电接触控制电路如图所示,实现电动机连续运行的环节是()。A . QS电器B . FU电器C . KM4触点构成的自锁环节D . KM1-3触点构成的环节
[单选题]一台三相电动机的单向起动控制电路在使电动机起动后不能自保的原因是 ( )A.起动按钮烧坏B.接触器常开辅助接点串入起动回路C.停止按钮未闭合D.接触器常开辅助接点未并在起动按钮上
[多选题] 交流电动机的降压起动控制电路主要有()A . Y-△降压起动B . 定子回路串电阻C . 转子回路串电阻D . 自耦变压器E . 延边三角形
[单选题]一台三相电动机的单向起动控制电路,用按钮起动后不能停止,其原因是( )A.停止按钮接触不良B.误将接触器常开辅助接点并联接于停止与起动按钮的常闭、常开接点串联连接两端C.接触器常开辅助接点与起动按钮并联D.不能判断
[问答题] 如图:1)试述电动机M的起动——运行——停止过程。 2)试述热继电器FR的过载保护过程。
[单选题]要使电动机顺利起动达到额定转速,电动机的起动转矩应()电动机额定转矩A.等于B.大于C.小于
[单选题]实现两台电动机顺序控制的主电路如图所示,根据主电路和控制电路的控制原理,它所实现的控制逻辑是()。A . 1M启动后,2M才能启动;1M停转后,2M才能停转B . 1M启动后,2M才能启动;2M停转后,1M才能停转C . 2M启动后,1M才能启动;1M停转后,2M才能停转D . 2M启动后,1M才能启动;2M停转后,1M才能停转
[单选题]用Y/△接线降压起动电动机时,应使电动机先接成()起动。A .△形B .YC .并联
