[问答题]

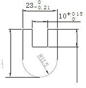
计算题:冲裁如图所示零件,模具采用配加工法加工,试计算刃口尺寸(凹,凸模),材料定额更改明细更改前更改后1.7×420×6821.7×360×6652.6×320×4702.6×315×4201.9×565×6001.9×420×510并标注凸、凹模制造公差.(注:材料厚度t=2mm;材料-Q235;查表得凹、凸模间隙(双边间隙)Z=0.2mm(Zmin)磨损系数X=0.75(据工件精度等级取,IT12级)

参考答案与解析:

相关试题

计算题:直角形零件(如图所示),计算展开尺寸。

[问答题] 计算题:直角形零件(如图所示),计算展开尺寸。

  • 查看答案
  • 在冲裁加工中,凹、凸模的刃口尺寸会慢慢减少。()

    [判断题] 在冲裁加工中,凹、凸模的刃口尺寸会慢慢减少。()A . 正确B . 错误

  • 查看答案
  • 冲裁凸、凹模刃口尺寸计算的原则是什么?

    [问答题] 冲裁凸、凹模刃口尺寸计算的原则是什么?

  • 查看答案
  • 计算题:计算如图所示材料为Q235钢板冲裁件的质量。

    [问答题] 计算题:计算如图所示材料为Q235钢板冲裁件的质量。

  • 查看答案
  • 冲裁模凸模和凹模的制造公差与冲裁件的尺寸精度、()、刃口尺寸磨损有关。

    [填空题] 冲裁模凸模和凹模的制造公差与冲裁件的尺寸精度、()、刃口尺寸磨损有关。

  • 查看答案
  • 计算题:加工如图所示轴套零件,其轴向尺寸及其有关工序如下:1)工序1:以B、端定

    [问答题] 计算题:加工如图所示轴套零件,其轴向尺寸及其有关工序如下:1)工序1:以B、端定位,车端面A、外圆、台阶面;2)工序2:以A、端定位,车端面B、内孔到尺寸。试求工序尺寸L1和L2及其极限偏差。(10分)

  • 查看答案
  • 在进行冲裁模刃口尺寸计算时,落料首先确定凸模尺寸。()

    [判断题] 在进行冲裁模刃口尺寸计算时,落料首先确定凸模尺寸。()A . 正确B . 错误

  • 查看答案
  • 计算题:某加工零件的尺寸为,问零件加工在什么范围内为合格产品?

    [问答题] 计算题:某加工零件的尺寸为,问零件加工在什么范围内为合格产品?

  • 查看答案
  • 计算题:直角形收边零件(如图所示),计算展开料宽度和长度。

    [问答题] 计算题:直角形收边零件(如图所示),计算展开料宽度和长度。

  • 查看答案
  • 某工序加工零件,尺寸公差规定。该工序加工的零件尺寸直方图和公差如图所示,这说明_

    [单选题]某工序加工零件,尺寸公差规定。该工序加工的零件尺寸直方图和公差如图所示,这说明________。

  • 查看答案
  • 计算题:冲裁如图所示零件,模具采用配加工法加工,试计算刃口尺寸(凹,凸模),材料