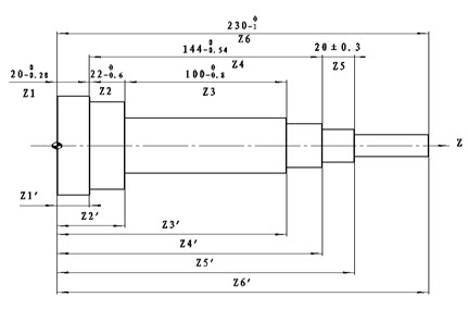
如图为一阶梯轴简图,图上部的轴向尺寸Z1、Z2、Z3、Z4、Z5、Z6为设计尺寸。编程原点为左端面与中心线的交点,编程时须按图下部的工序尺寸Z1’、Z2’、Z3’、Z4’、Z5’、Z6’编程。那么工序尺寸Z3’及其公差应该为()

A . Z3’=142mm
B . Z3’=142mm
C . Z3’=142mm
D . Z3’=142mm
[问答题] 已知轮系如图所示中,Z1=25、Z2=50、Z5=Z6=20、Z3=40,Z4=80,n1=1900r/min,且顺时针转动。求杆系H的转速和回转方向。
[问答题] 如图所示的轮系中,已知z1=z2=z4=z5=20,z3=z6=60,齿轮1的转速n1=1440(r/min),求齿轮6的转速(大小及方向)(方向用箭头表示)。
[问答题] 图示轮系中,已知各轮齿数为:z1=z2′=z3′=15,z2=25,z3=z4=30,z4′=2(左旋),z5=60,z5′=20(m=4mm)。若n1=500r/min,转向如图所示,求齿条6的线速度v的大小和方向。
[单选题]如图所示的轮系中,Z1、Z3、Z4、Z6同轴线,n1=900r/min且Z1=Z2=Z4=Z5=20,则n6的值为()A . 100r/minB . 300r/minC . 600r/minD . 900r/mi
[问答题] 计算题:已知:Z1=22,Z2=122,Z3=16,Z4=110,n电=1150转/分,试计算推压轴的转速是多少?
[问答题,计算题] 已知煤电钻传动齿轮各齿轮的齿数为:Z1=17、Z2=42、Z3=23、Z4=41,求速比是多少?
[问答题] 在图示传动装置中,已知各轮齿数为:Z1=20,Z2=40,Z3=20,Z4=30,Z5=80,运动从Ⅰ轴输入,Ⅱ轴输出,nⅠ=1000r/min,转动方向如图所示。试求输出轴Ⅱ的转速nⅡ及转动方向。
[单选题]Z1≠Z2≠Z3时,要使Z3有较高的透声效果,Z3厚度应为()。A .1/2波长的整数倍时B .1/2波长的奇数倍时C .1/4波长的奇数倍时D .1/4波长的整数倍时
[单选题]Z1=Z2≠Z3时,若Z3厚度为1/2波长的整数倍时,Z3会漏检,若Z3厚度为(),Z3反射回波为最高。A . 1/2波长的整数倍时B . 1/2波长的奇数倍时C . 1/4波长的奇数倍时D . 1/4波长的整数倍时
[判断题] Z1=Z2≠Z3时,若Z3厚度为1/2波长的整数倍时,Z3会漏检,若Z3厚度为1/4波长的奇数倍时,Z3反射回波为最高。A . 正确B . 错误