[问答题,论述题]

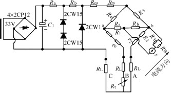
根据图片说明配热电阻的XC系列动圈式温度指示仪表的各组成部分及测量原理。

参考答案与解析:

相关试题

根据图片说明配热电阻的XC系列动圈式温度指示仪表的各组成部分及测量原理。