,
,
,
。
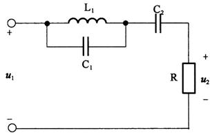
的数值分别为( )。[2011年真题]
图1-3-64A.7.39
和71.14
B.71.14
和7.39
C.9.39
和75.14
D.75.14
和9.39
[单选题]如图1-2-35所示电路中,已知,,,,,。取节点③为参考点,节点①的电压为( )。[2011年真题]图1-2-35A.15B.21C.27D.33
[单选题]如图1-5-9所示电路中,已知,开关S闭合前电路处于稳态,t=0时开关闭合。时,为( )。[2011年真题]图1-5-9A.2B.-2C.2.5D.
[单选题]如图1-2-12所示电路中,已知,,,,,,电流为( )。[2011年真题]图1-2-12A.2AB.1.5AC.1AD.0.81A
[单选题]在如图2-3-13所示电路中,已知=1V,硅稳压管Dz的稳定电压为6V,正向导通压降为0.6V,运放为理想运放,则输出电压U0为下列何值?( )[2
[单选题]在如图2-3-9所示电路中,已知=1V,硅稳压管Dz的稳定电压为6V,正向导通压降为0.6V,运放为理想运放,则输出电压U0为下列何值?( )[20
[单选题]如图1-5-7所示电路中,已知,,,,开关闭合前电流处于稳态,时开关S闭合。时,为( )。[2011年真题]图1-5-7A.-6B.6C.-4D.4
[单选题]如图1-3-21所示电路中,==40H,C=4000μF,M从0H变至10H时,谐振角频率的变化范围是( )。[2009年真题]图1-3-21A.1
[单选题]如图1-3-27所示,电路电压,,,,,则有效值为( )。[2007年真题]图1-3-27A.1.5AB.0.64AC.2.5AD.1.9A
[单选题]如图1-1-1所示电路中,=0.1H,=0.2H,M=0.1H,若电源频率是50Hz,则电路等值阻抗是( )?。[2008年真题]图1-1-1A.j
[单选题]如图1-2-5所示电路的等效电阻应为下列哪项数值?( )[2006年真题]图1-2-5A.5ΩB.5.33ΩC.5.87ΩD.3.2Ω