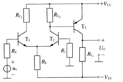
[单选题]

如图2-2-9所示电路中,为使输出电压稳定,应该引入下列哪种反馈方式(  )。[2009年、2010年真题]
图2-2-9

A.电压并联负反馈

B.电流并联负反馈

C.电压串联负反馈

D.电流串联负反馈

参考答案与解析:

相关试题

如图2-2-4所示电路中,为使输出电压稳定,应该引入下列(  )反馈方式。[2009年真题]<br /><img border="0" style="w

[单选题]如图2-2-4所示电路中,为使输出电压稳定,应该引入下列(  )反馈方式。[2009年真题]图2-2-4A.电压并联负反馈B.电流并联负反馈C.电压串

  • 查看答案
  • 在题27图所示电路中,为使输出电压稳定,应该引入下列哪种反馈方式?(  )<br /><img border="0" style="width: 213

    [单选题]在题27图所示电路中,为使输出电压稳定,应该引入下列哪种反馈方式?(  )题27图A.电压并联负反馈B.电流并联负反馈C.电压串联负反馈D.电流串联负

  • 查看答案
  • 如题31图所示电路中,为使输出电压稳定,应该引入下列哪种反馈方式(  )。<br /><img border="0" style="width: 362

    [单选题]如题31图所示电路中,为使输出电压稳定,应该引入下列哪种反馈方式(  )。题31图A.电压并联负反馈B.电流并联负反馈C.电压串联负反馈D.电流串联负

  • 查看答案
  • 电路如图2-3-2所示,电路的差模电压放大倍数为(  )。[2008年真题]<br /><img border="0" style="width: 37

    [单选题]电路如图2-3-2所示,电路的差模电压放大倍数为(  )。[2008年真题]图2-3-2A.B.C.D.

  • 查看答案
  • 如图2-1-3所示电路中,二极管性能理想,则电压UAB为(  )。[2010年真题]<br /><img border="0" style="width

    [单选题]如图2-1-3所示电路中,二极管性能理想,则电压UAB为(  )。[2010年真题]图2-1-3A.-5VB.-15VC.10VD.25V

  • 查看答案
  • 电路如下图2-2-5所示,电路的反馈类型为(  )。[2014年真题]<br /><img border="0" style="width: 464px

    [单选题]电路如下图2-2-5所示,电路的反馈类型为(  )。[2014年真题]图2-2-5电压串联负反馈A.电压并联负反馈B.电流串联负反馈C.电流并联负反馈

  • 查看答案
  • 由集成运放组成的放大电路如图2-2-7所示,其反馈类型为(  )。[2014年真题]<br /><img border="0" style="width

    [单选题]由集成运放组成的放大电路如图2-2-7所示,其反馈类型为(  )。[2014年真题]图2-2-7A.电流串联负反馈B.电流并联负反馈C.电压串联负反馈

  • 查看答案
  • 如图6-2-2所示,下列说法中,错误的是(  )。[2010年真题]<br /><img border="0" style="width: 486px;

    [单选题]如图6-2-2所示,下列说法中,错误的是(  )。[2010年真题]图6-2-2A.对理想流体,该测压管水头线(Hp线)应该沿程无变化B.该图是理想流

  • 查看答案
  • 如图6-2-2所示,下列说法中,错误的是(  )。[2010年真题]<br /><img border="0" style="width: 486px;

    [单选题]如图6-2-2所示,下列说法中,错误的是(  )。[2010年真题]图6-2-2A.对理想流体,该测压管水头线(Hp线)应该沿程无变化B.该图是理想流

  • 查看答案
  • 如图6-2-2所示,下列说法中,错误的是(  )。[2010年真题]<br /><img border="0" style="width: 486px;

    [单选题]如图6-2-2所示,下列说法中,错误的是(  )。[2010年真题]图6-2-2A.对理想流体,该测压管水头线(Hp线)应该沿程无变化B.该图是理想流

  • 查看答案
  • 如图2-2-9所示电路中,为使输出电压稳定,应该引入下列哪种反馈方式(  )。[2009年、2010年真题]<br /><img border="0" style