为( )。[2010年真题]
图1-3-110A.
B.
C.
D.
[单选题]如题7图所示电路为对称三相电路,相电压为200V,为( )。题7图A.B.C.D.
[单选题]如图1-3-100所示对称三相电路中,相电压是200V,,功率表W1的读数为( )。[2010年真题]图1-3-100A.B.C.D.
[单选题]如图1-3-37所示对称三相电路中,相电压是200V,,功率表的读数为( )。[2009年真题]图1-3-37A.B.C.D.
[单选题]如题14图所示对称三相电路中,相电压是200V,功率表W1的读数为( )。题14图A.B.C.D.
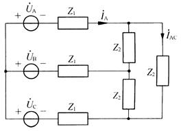
[单选题]图示1-3-112电路为三相对称电路,相电压为200V,==150-j150Ω,则为( )。[2009年真题]图1-3-112A.B.C.D.
[单选题]如题14图所示对称三相电路中,相电压是200V,功率表W1的读数为( )。题14图A.B.C.D.
[单选题]如图1-3-42所示对称三相电路中,若线电压为380V,,则为( )。[2009年真题]图1-3-42A.B.C.D.
[单选题]如图1-3-96所示对称三相电路中,已知线电压=380V,负载阻抗,,三相负载吸收的全部平均功率P为( )。[2011年真题]图1-3-96A.17
[单选题]图1-3-116所示对称三相电路中,已知,负载复阻抗Z=(40+j30)Ω,则图中电流IA等于( )A。图1-3-116A.B.C.D.
[单选题]如图1-3-76所示电路中,若L=0.12H,ω=314rad/s,使输出电压则和的值分别为( )。[2008年真题]图1-3-76A.7.3μF;