[单选题]

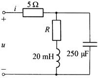
如图1-4-4所示电路中当u=[36+100sin(t)]V时,电流i=[4+4sin(t)]A,其中ω=400rad/s,则R为(  )。[2006年真题]
图1-4-4

A.4Ω

B.9Ω

C.20Ω

D.250Ω

参考答案与解析:

相关试题

如图1-4-4所示电路中当u=36+100sin(<img border="0" style="width: 15px; height: 13px;" s

[单选题]如图1-4-4所示电路中当u=36+100sin(t)V时,电流i=4+4sin(t)A,其中ω=400rad/s,则R为(  )。[2006年真题]

  • 查看答案
  • 如图1-1-27所示电路中,电流<img border="0" style="width: 13px; height: 17px;" src="

    [单选题]如图1-1-27所示电路中,电流为(  )。[2011年真题]图1-1-27A.-2AB.2AC.-1AD.1A

  • 查看答案
  • 题16图所示正弦电路中,R=6Ω,<img border="0" style="width: 15px; height: 13px;" src="

    [单选题]题16图所示正弦电路中,R=6Ω,L=8Ω,,则与总电流的相位关系为(  )。题16图A.B.C.D.不能确定

  • 查看答案
  • 如图1-3-91所示电路中电压<img border="0" style="width: 12px; height: 13px;" src="h

    [单选题]如图1-3-91所示电路中电压含有基波和三次谐波,基波角频率为104rad/s。若要求u1中不含基波分量而将其中的三次谐波分量全部取出,则C1应为下列

  • 查看答案
  • 图示电路中电压<img border="0" style="width: 13px; height: 15px;" src="https://i

    [单选题]图示电路中电压含有基波和三次谐波,基波角频率为。若要求中不含基波分量而将中的三次谐波分量全部取出,则电容应为下列哪项数值?(  )题9图A.B.C.D

  • 查看答案
  • 系统如图4-5-11所示。已知:<img border="0" style="width: 15px; height: 24px;" src="

    [单选题]系统如图4-5-11所示。已知:,,。:时的标幺值电抗为0.03。当点三相短路时,短路容量为1000MVA,当点三相短路时,短路容量为833MVA,则

  • 查看答案
  • 系统如图4-5-18所示。已知:<img border="0" style="width: 15px; height: 24px;" src="

    [单选题]系统如图4-5-18所示。已知:,:100MVA, 时的标幺值电抗为0.03。当点三相短路时,短路容量为1000MVA,当点三相短路时,短路容量为83

  • 查看答案
  • 如图1-1-32所示,直流电路中<img border="0" style="width: 15px; height: 20px;" src="

    [单选题]如图1-1-32所示,直流电路中的大小为(  )。[2010年真题]图1-1-32A.1AB.2AC.3AD.4A

  • 查看答案
  • 图示1-3-55电路中电压<img border="0" style="width: 13px; height: 15px;" src="htt

    [单选题]图示1-3-55电路中电压含有基波和三次谐波,基波角频率为。若要求中不含基波分量而将中的三次谐波分量全部取出,则电容应为下列哪项数值?(  )[201

  • 查看答案
  • -64,4,0,1,<img border="0" style="width: 13px; height: 36px;" src="https:

    [单选题]-64,4,0,1,,(  )。A.8B.64C.D.

  • 查看答案
  • 如图1-4-4所示电路中当u=[36+100sin(<img border="0" style="width: 15px; height: 13px;"