图3-6-9
A.40分频
B.60分频
C.80分频
D.100分频
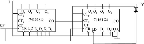
[单选题]计数器74161构成电路如图3-6-10所示,74LS161的功能如表3-6-5所示,该电路的逻辑功能是( )。[2008年真题]图3-6-10表3
[单选题]由四位二进制同步计数器74163构成的逻辑电路如图3-6-6所示,该电路的逻辑功能为( )。[2012年真题]图3-6-6A.同步256进制计数器B
[单选题]由四位二进制同步计算器74163构成的逻辑电路如图3-6-9所示,该电路的逻辑功能为( )。图3-6-9A.同步256进制计数器B.同步243进制计
[单选题]4位同步二进制计数器74163构的电路如图3-6-8所示(图中的第一片163的D0~D3和第二片D1接0电位),74163的功能表见表3-6-3。该电
[单选题]74LS161的功能见表3-6-2,如图3-6-7所示电路的分频比(即Y与CP的频率之比)为( )。[2011年真题]表3-6-2 74161功能表
[单选题]同步16进制加法集成计数器74163构成的电路如题30图所示,74163的功能表如题30表所示,该电路完成下列哪种功能?( )题30图题表30 74
[单选题]4位同步二进制加计数器74163构的电路如题37图所示(图中的第一片163的D0~D3和第二片D1接0电位),74163的功能表见题37表。该电路完成
[单选题]逻辑门电路如图3-4-7所示,该电路完成的功能是( )。[2011年真题]图3-4-7A.8位并行加法器B.8位串行加法器C.4位并行加法器D.4位
[单选题]图示3-6-3电路中,计数器74163构成电路的逻辑功能为( )。[2014年真题]图3-6-3A.同步84进制加法计数B.同步73进制加法计数C.
[单选题]由四位二进制同步计算器74163构成的逻辑电路如图所示,该电路的逻辑功能为( )。题38图A.同步256进制计数器B.同步243进制计数器C.同步2