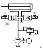
1) 电磁阀(1)处于何种状态时,油泵卸荷?
2) 要使油缸活塞杆伸出,电磁阀(1)应如何动作?
3) 要使油缸活塞缩回,电磁阀(1)应如何动作?(注:1DR,2DT为电磁铁编号)

[试题]分析图示液压系统图并回答问题:1) 油缸活塞杆伸出,回路压力为2MPa,这时两电磁阀应如何控制?2) 油缸活塞杆缩回,回路压力为3.5MPa,这时两电磁阀应如何控制?
[单选题]图示电磁阀在失电状态时,油路是()。A .截止的B .导通的C .可能截止可能导通D .半截止状态
[问答题] 分析下述液压系统原理图,回答问题1)写出A、B、C、D、E、F元件的名称2)按快进—工进—快退—原位的动作循环,给出电磁铁动作表
[单选题]断电时,燃油回油活门的V1,V2电磁阀处于()A . 关位;B . 故障安全开位;C . 关闭或打开取决于最后的工作状况。
[单选题]空压机在加载状态时,卸载电磁阀(),放气电磁阀()A . 开、关闭B . 关闭、打开C . 关闭、关闭D . 打开、打开
[判断题]在常规制动阶段,ABS并不介入制动压力调节,调压电磁阀总成中的各进液电磁阀均不通电而处于开启状态,各出液电磁阀均不通电而处于关闭状态。()A.对B.错
[判断题]在常规制动阶段,ABS并不介入制动压力调节,调压电磁阀总成中的各进液电磁阀均不通电而处于开启状态,各出液电磁阀均不通电而处于关闭状态。()A.对B.错
[问答题] 视读折角阀装配图,并回答下列问题:(1)折角阀装配图用了几个图形?采用哪些表达方法?(2)按图所示,该阀处在开启状态还是关闭状态?
[问答题,计算题] 分析零件图E-18,并回答下列问题。(1)键的形体是______(2)长度尺寸________(3)高度尺寸________(4)宽度尺寸________(5)的最大极限尺寸是_____最小极限尺寸是_____。
[单选题]对于WTB说法正确的是()。1)WTB一个控制电磁阀和相关的液压系统失效会锁定2)WTB两个控制电磁阀和相关的液压都失效,WTB会松开3)WTB有两个控制电磁阀和相应的两个液压源来控制4)WTB两个控制电磁阀和相关的液压都失效,WTB会锁定A . 1),4)B . 2),4)C . 3)4)D . 1)2)4)